Циркуляційний насос Grundfos UPS 32-100F використовуються для забезпечення циркуляції води в системах опалення, гарячого водопостачання та системах «теплих підлог». У застосуванні циркуляційний насос Grundfos UPS 32-100 зручний тим, що в залежності від потреби можна встановити необхідну частоту обертання валу двигуна (3 швидкості).
Насос з мокрим ротором і захищеним статором, без сальникових ущільнень, з двома кільцями ущільнювачів, що не вимагає техобслуговування, з ручним триступеневим регулюванням числа обертів. Цей трьохшвидкісний насос призначений для роботи в системах опалення зі стабільним або мало мінливим витратою. Залежно від потреби мережі за допомогою простого і зручного перемикача можна встановити необхідну частоту обертання.
Таким чином, з безлічі насосів UPS серія 100 можна легко підібрати типорозмір, найбільш підходящий для вашої системи. Підшипники змащуються рідиною, що перекачується. Система керамічних підшипників ковзання забезпечує довговічність і безшумність внаслідок високої твердості і низького коефіцієнта лінійного розширення кераміки. Порожнистий вал насоса сприяє швидкому видаленню повітря з насоса при пуску. На патрубках насосів є поверхні під ключ, що забезпечує надійну фіксацію при затягуванні різьбових з'єднань. Для кріплення проводів в клемній коробці застосовуються зручні пружинні затискачі. Максимальна робоча температура теплоносія 110°C. Насос перекачує чисті, нев'язкі і неагресивні рідини, які не містять твердих частинок або волокон.
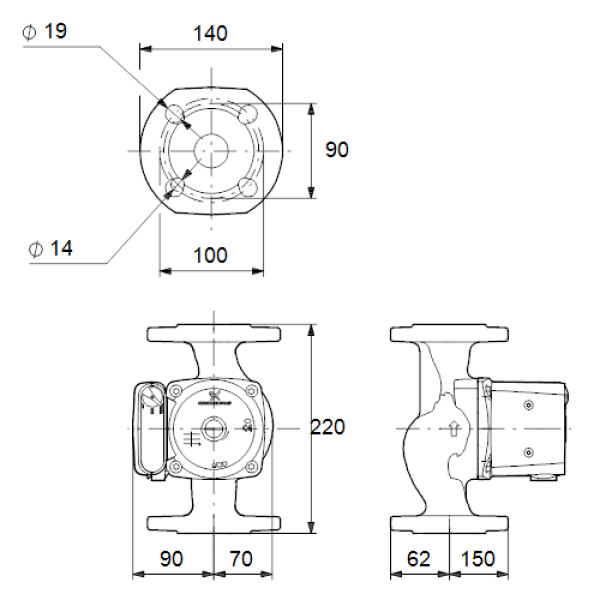
Розшифровка типового позначення циркуляційного насоса Grundfos UPS X-Y, де X-номінальний діаметр всмоктуючого і напірного патрубка в мм, а Y-максимальний напір в дм.
Призначення: s-EWEW
- Однотрубні і двотрубні системи опалення.
- Основні насоси.
- Зональні насоси.
- Котельні насоси з паралельним всмоктуванням.
- Насоси для опалювальних поверхонь.
- Водонагрівач.
- Системи опалення "тепла підлога".
- Системи сонячного опалення.
- Теплонасосні системи.
- Геотермальні системи теплопостачання.
- Системи регенерації тепла.
- Двотрубні системи кондиціонування повітря.
- Насоси для холодильних установок.
Особливості насоса циркуляційного UPS 32-100:
- Мокрий ротор.
- Система керамічних підшипників ковзання.
- Не вимагає техобслуговування.
- 3 ступені потужності.
- Спеціальний відлив під ключ на корпусі насоса.
- Мотор, стійкий до струмів блокування.
- Гайки для монтажу.
- Тривалий термін служби.
- Керамічні вал і радіальні підшипники.
- Осьовий підшипник з графіту.
- Гільза ротора і підшипникова обойма зроблені з нержавіючої сталі.
- Корозійно-стійке робоче колесо, композитний, PES / PP.
- 1-фазний електродвигун, що не вимагає додаткового захисту.
