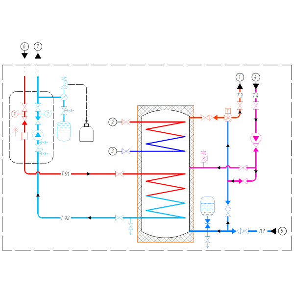
Модуль геліоустановки MAGMAmodule® Basic MS30018R — готове рішення для побудови сонячної системи опалення та гарячого водопостачання, цей модуль без інтегрованої автоматики.
У комплекті встановлено:
-
Бойлер непрямого нагріву Reflex AF/2 300 л (7849000) для стабільного гарячого водопостачання.
-
Насосна група для циркуляції гарячої води та геліосистеми.
-
Щит для підключення автоматики, всі кабелі заведені, автоматику можна докупити або підключити власну схему.
-
Розширювальні баки для бойлера та геліосистеми.
Модуль забезпечує готову інфраструктуру для підключення сонячних колекторів та інших джерел тепла. Універсальна конструкція дозволяє швидко інтегрувати будь-яку систему автоматики відповідно до потреб об’єкта.
Технічні характеристики:
• Виробник: MAGMAmodule®
• Модель: Basic MS30018R
• Тип: модуль геліоустановки
• Бойлер: Reflex AF/2 300 л
• Насосна група: в комплекті
• Щит для автоматики: заведені кабелі, автоматика докуповується або підключається окремо
• Розширювальні баки: для бойлера і геліосистеми
• Інтеграція: без автоматики (підключення можливе окремо)
• Призначення: геліосистема, ГВП, опалення
• Монтаж: підлоговий / у складі системи
Країна виробник: Німеччина, Україна
